LCD displej

Teória

Katalógový list nejakého LCD dipleja

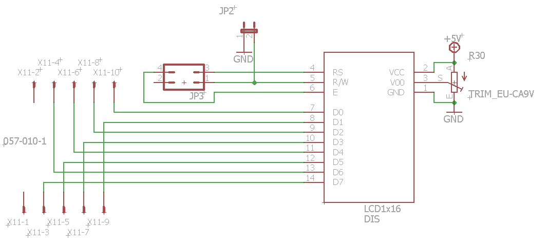
Schéma zapojenia LCD na doske Edukitu

Rozmiestnenie súčiastok LCD na doske Edukitu